四点接触球轴承
四点接触球轴承是径向单列角接触球轴承,特殊设计的滚道使其能承受两个方向的轴向载荷。在轴向载荷给定的情况下,可承受有限的径向载荷。这种轴承所占的轴向空间比双列角接触球轴承更小。
四点接触球轴承(→图7)是径向单列角接触球轴承,特殊设计的滚道使其能承受两个方向的轴向载荷。在轴向载荷给定的情况下,可承受有限的径向载荷。这种轴承所占的轴向空间比双列角接触球轴承更小。 | |
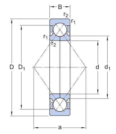
四点接触球轴承 四点接触球轴承(→图7)是径向单列角接触球轴承,特殊设计的滚道使其能承受两个方向的轴向载荷。在轴向载荷给定的情况下,可承受有限的径向载荷。这种轴承所占的轴向空间比双列角接触球轴承更小。 双半的内卷使轴承能装人更多的钢球,因此有很高的载荷能力。轴承是分离型的,即外圈以及钢球-保持架组件可以和双半内卷分别独立安装。 SKF探索者四点接触球轴承的双半内卷都有带凹槽的挡肩。当和圆柱滚子轴承组配使用的时候改善了油的流动情况。另外,这个凹槽有助于拆卸操作。 SKF四点接触球轴承的标准系列包括QJ2和QJ3系列。 |

| 型号 | 基本尺寸(公制) | 基本额定负荷 | 额定转速 | |||||
|---|---|---|---|---|---|---|---|---|
| 动态 | 静态 | 参考转速 | 极限转速 | |||||
| d[mm] | D[mm] | B[mm] | C[kN] | C0[kN] | [r/min] | [r/min] | ||
点击查看PDF产品参数表 轴承特性
可以承受两个方向上的轴向载荷
需要的轴向空间较小
这种轴承同双列轴承相比,占用轴向空间显著减少。
高承载能力
轴承中可以装入更多数量的钢球,从而实现更高的承载能力。
分离型设计
分离式内圈,可以实现更为方便地安装和拆卸轴承。
改善润滑油的流动状态
受到高夹紧力时,其内圈发生的变形有限